Opis produktu
Czujnik obecności Steinel IR Quattro HD 24m DALI-2 APC Sufitowy IP20 Biały Kod Produktu 079376
Korzyści z zastosowania czujnika IR Quattro HD DALI-2 APC w automatyce budynkowej
- Najwyższa precyzja wykrywania obecności — Czujnik IR Quattro HD DALI-2 APC oferuje kwadratową strefę detekcji 8 × 8 m (64 m2) oraz zasięg styczny do 20 × 20 m (400 m2), co zapewnia skuteczne wykrywanie obecności nawet w dużych pomieszczeniach takich jak biura open space, sale wykładowe, hale sportowe i magazyny.
- Sufitowy montaż do 10 metrów wysokości — Czujnik został zaprojektowany do pracy na wysokości 2,5 – 10 m, z optymalnym montażem na 2,8 m, co umożliwia jego zastosowanie w pomieszczeniach o dużej kubaturze.
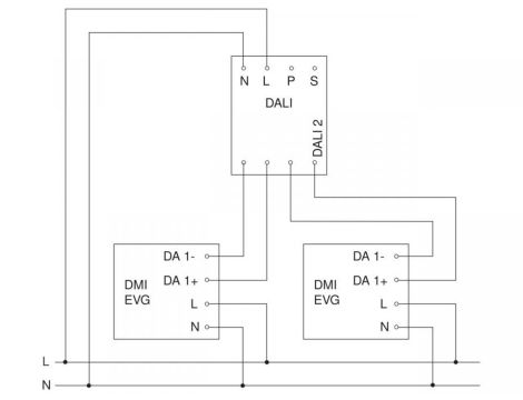
- Sterowanie dwoma kanałami oświetlenia przez DALI-2 — Wersja APC pełni funkcję kontrolera aplikacji DALI-2, umożliwiając cyfrowe zarządzanie dwoma obwodami oświetleniowymi w trybie broadcast. Czujnik oferuje także funkcję stałego oświetlenia, ustawienie zmierzchu TEACH oraz kontrolę poziomu światła głównego i podstawowego.
- Łatwa parametryzacja i wysoka funkcjonalność — Ustawienia można konfigurować przez Bluetooth (Smart Remote, aplikacja), potencjometry i przełączniki DIP. Czujnik wspiera tryby pracy: automatyczny, półautomatyczny, testowy, przyciskowy oraz ręczny ON/OFF.
- Solidna i estetyczna konstrukcja — Obudowa wykonana z tworzywa sztucznego w kolorze RAL 9010, o wymiarach 108 × 120 × 120 mm, klasa szczelności IP20, odporność na temperaturę od -25°C do +55°C. Dzięki nowoczesnemu designowi doskonale komponuje się z wnętrzami komercyjnymi.
Funkcje i zastosowanie czujnika IR Quattro HD DALI-2 APC
- Detekcja 360° z 4800 strefami przełączania
- Funkcja TEACH – automatyczne ustawienie progu zmierzchu
- Stałe sterowanie oświetleniem i regulacja poziomu światła głównego (50–100%)
- Funkcja światła podstawowego: 1–60 min lub cała noc
- Integracja w systemach DALI-2 jako Application Controller
- Zabezpieczenie przed podpełzaniem
Dane techniczne i logistyczne produktu
- Typ urządzenia: czujnik obecności PIR z czujnikiem światła
- Technologia detekcji: pasywna podczerwień, czujnik światła
- Zasięg obecności: 8 × 8 m (64 m2)
- Zasięg styczny: 20 × 20 m (400 m2)
- Kąt wykrywania: 360°, kąt rozwarcia: 160°
- Strefy przełączania: 4800
- Wysokość montażu: 2,5 – 10,0 m (optymalna 2,8 m)
- Zasilanie: 230 V / 50–60 Hz
- Wyjście sterujące DALI: 2 × 12, broadcast
- Stałe sterowanie światłem: tak
- Regulowane światło główne: 50–100%
- Funkcja światła podstawowego: tak (1–60 min lub cała noc)
- Ustawienie zmierzchu TEACH: tak
- Zakres natężenia światła: 10 – 1000 Lux
- Funkcje pracy: automatyczny, testowy, półautomatyczny, przyciskowy, ręczny ON/OFF
- Parametryzacja: aplikacja, Smart Remote, potencjometr, DIP
- Maskowanie segmentów: nie
- Zabezpieczenie przed podpełzaniem: tak
- Połączenia międzysystemowe: master/slave
- Połączenie przez: kabel
- Temperatura pracy: -25°C do +55°C
- Klasa ochrony: IP20
- Kolor: biały (RAL 9010)
- Materiał obudowy: tworzywo sztuczne
- Wymiary: 108 × 120 × 120 mm
- Kod produktu: 079376
- EAN: 4007841079376
- Gwarancja: 5 lat
