Opis produktu
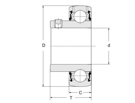
Łożysko samonastawne US.207.G2 SNR, 35 x 72 x 32
Prezentowane zdjęcia mają charakter poglądowy i nie są ofertą sprzedaży. Podejmując decyzję o zakupie należy bezwzględnie kierować się opisem technicznym na karcie towaru.
