Opis produktu
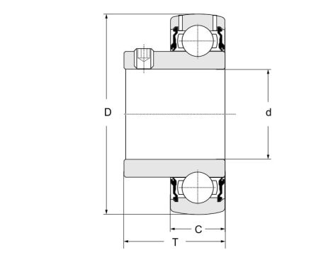
Łożysko samonastawne US.206.G2 SNR, 30 x 62 x 30
Prezentowane zdjęcia mają charakter poglądowy i nie są ofertą sprzedaży. Podejmując decyzję o zakupie należy bezwzględnie kierować się opisem technicznym na karcie towaru.
