Opis produktu
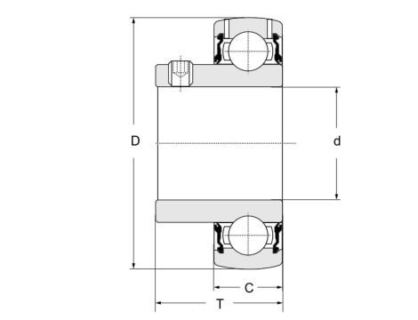
Łożysko samonastawne SB209G FBJ, 45 x 85 x 41.2
Prezentowane zdjęcia mają charakter poglądowy i nie są ofertą sprzedaży. Podejmując decyzję o zakupie należy bezwzględnie kierować się opisem technicznym na karcie towaru.
