Opis produktu
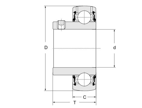
Łożysko samonastawne AY15 XL NPP B INA, 15 x 40 x 22
Prezentowane zdjęcia mają charakter poglądowy i nie są ofertą sprzedaży. Podejmując decyzję o zakupie należy bezwzględnie kierować się opisem technicznym na karcie towaru.
